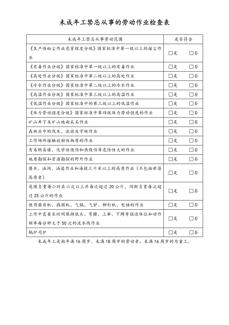
未成年工劳动保护合规检查表1-禁忌从事作业-工具xmtt8811个月前发布关注私信37KB1页03712 第1页 / 共1页 已完成全部阅读,共1页 未成年工劳动保护合规检查表1-禁忌从事作业-工具此内容为付费资源,请付费后查看¥1¥2会员服务免费立即购买您当前未登录!建议登陆后购买,可保存购买订单付费资源© 版权声明文章版权归作者所有,未经允许请勿转载。THE END劳务合同 喜欢就支持一下吧点赞12 分享QQ空间微博QQ好友海报分享复制链接收藏
暂无评论内容